前処理剤
テクノロジー
ジカルボン酸の定着する素地を整えながらブリーチ、ヘアカラーやパーマなどの薬剤を均一な浸透を助けるために。
内部補整
塩基性アミノ酸が毛髪内部を補整して、ジカルボン酸の定着できる素地を整え、ボンドプロテクションの準備をします。CMC,PPT共通で配合されています。
内部タンパク質補修・保護
コラーゲンPPT
水と親和性の高いアミノ酸を多く含んでいるので、水分を蓄える効果が高いPPTです。ダメージでパサついた髪に非常に効果的です。
ケラチンPPT
シスチンを多く含み、毛髪を補強します。ダメージを受けて弱った毛髪や加齢で細くなった髪の毛にハリ・コシを与えるのに効果的です。
内部水分補給・表面保護
セラミド様物質
水分保持機能、外部刺激に対する優れたバリア機能を持ちます。なめらかで柔軟性を持った髪を保ちます。
表面補修・保護・強度アップ
ヒートアクティブプロテイン
熱反応性のユニークな特徴を持ちます。ドライヤーなどの熱を与えると、毛髪表面に皮膜が形成され、ダメージを補修し、毛髪強度アップや質感の向上などの効果を発揮します。
バイオミメティクス成分
18-MEAと近似構造を持つ成分が壊れた18-MEAを補修します。しっとり感とやわらかさを持続させます。
ファイバープレックスブリーチとの併用で
- よりダメージ削減を目指した施術
- リフトムラの削減
- ブリーチ後のカラーの再現性・持続性がアップ
ファイバープレックスカラーとの併用で
- よりダメージ削減を目指した施術
- 彩度の美しさアップ
- 褪色がゆるやかに
- ツヤ、毛先のまとまりアップ
ファイバープレックスストレートとの併用で
- よりダメージ削減を目指した施術
- ツヤ、毛先のまとまり、しなやかさアップ
使用した際の効果
繰り返すほどダメージの差が表れます。
No.0 使用によってブリーチを重ねても表面ダメージを防げていることがわかります。
ブリーチ1回目
シュワルツコフ従来のブリーチ剤
部分的にキューティクルの欠損や剥がれが確認できます。
ファイバープレックス ブリーチのみ
キューティクルはしっかり残っており、一部のみ小さな剥がれが確認できます。
No.0 CMCとファイバープレックス ブリーチ併用
欠けてる部分がほとんどなく、キューティクルの間隔も狭く密集しています。
ブリーチ2回目
シュワルツコフ従来のブリーチ剤
キューティクルが剥がれ、内部のコルテックスが見えています。キューティクルの数もかなり減少しヒダが見えなくなっています。
ファイバープレックス ブリーチのみ
キューティクルはしっかり残っており、一部のみ小さな剥がれが確認できます。
No.0 CMCとファイバープレックス ブリーチ併用
施術を重ねてもキューティクルがしっかり毛髪表面を覆っています。剥がれ等も確認できません。
ブリーチ剤
リフト力の目安
リフト力目安
パウダー ブリーチ
ブリーチ力の目安(放置時間30分の場合)
クレイ ブリーチ
ブリーチ力の目安(放置時間30分の場合)
リフト力目安
塗布終了後から最大30分放置(合計45分)
2タイプの使いわけ
クレイブリーチとパウダーブリーチの違い
| クレイブリーチ | パウダーブリーチ | |
|---|---|---|
| 推奨対象毛 | 中明度〜高明度 (すでにある程度リフトアップされた髪) |
黒髪〜高明度 |
| 髪への負荷軽減 | ◎ | ○ |
| リフト速度 | 穏やかにリフトアップ | 早いリフトアップ |
| 粘性 | かため | やわらかめ |
| 適した施術 | ・バレイヤージュやハイライト施術 ・二回目以降のブリーチ ・リタッチ |
・全頭ブリーチ ・初めてのブリーチ |
| クレイブリーチ | |
|---|---|
| 推奨対象毛 | 中明度〜高明度 (すでにある程度リフトアップされた髪) |
| 髪への負荷軽減 | ◎ |
| リフト速度 | 穏やかにリフトアップ |
| 粘性 | かため |
| 適した施術 | ・バレイヤージュやハイライト施術 ・二回目以降のブリーチ ・リタッチ |
| パウダーブリーチ | |
|---|---|
| 推奨対象毛 | 黒髪〜高明度 |
| 髪への負荷軽減 | ○ |
| リフト速度 | 早いリフトアップ |
| 粘性 | やわらかめ |
| 適した施術 | ・全頭ブリーチ ・初めてのブリーチ |
使用した際の効果
イゴラ ヴァリオ ブロンドプラスとの比較において、2回目にFPクレイブリーチを使用した場合のほうがキューティクルがしっかり確認できました。また、FP パウダーブリーチ+FP クレイブリーチの組み合わせでは、よりキューティクルがしっかり確認できました。 FP = FIBREPLEX
ブリーチ2回後の毛髪表面画像
ヴァリオ +6% ▶︎ ヴァリオ +6%
キューティクルの剥がれが目立つ
ヴァリオ +6% ▶︎ FPクレイ +6%
2回ブリーチ施術後もキューティクル層がきれいに残っている
FPパウダー +6% ▶︎ FPクレイ +6%
2回ブリーチ施術後もキューティクル層がきれいに残っている
カラー剤
使用した際の効果
健康な髪のたんぱく質
たんぱく質の構造に規則性があり、水分、脂質などをしっかり抱え込んでいます。
ダメージ髪のたんぱく質
たんぱく質の構造が切れたり、からみあったりし、外側へ流出。毛髪が空洞化し、ヘアカラーの発色、色持ちが悪くなります。
ファイバープレックスカラーなら・・・
ジカルボン酸が毛髪に浸透し、内部でしっかり定着。染料がしっかり発色、希望通りの仕上がりに。
染着力と持続性
シュワルツコフ従来品(P8)
ファイバープレックスカラー(MA8)
ストレートパーマ剤
テクノロジー
毛髪内部を補正
塩基性アミノ酸が毛髪内部を補整してジカルボン酸の定着できるところを増やし、ボンドプロテクションの準備をします。
毛髪内部を保護ボンドプロテクション
過酸化水素がS-S再結合を促すとともに、ジカルボン酸がフィブリルに定着することで酸化ダメージから髪を守ります。さらに塩基性アミノ酸の部分にもジカルボン酸が定着して毛髪を保護します。
毛髪内部と表面を強化ボンディング・シーリング
酸化のダメージによって生成したシステイン酸に着目。ボンディング成分(マグネシウム塩)が微細な隙間に入り込み、イオン結合を構築することで毛髪を強化します。また、コート成分が毛髪表面に皮膜を形成し、内部に浸透した成分を閉じ込めるとともに、指通りの良い仕上がりに導きます。
※ファイバープレックス ストレートとNo.2 ボンド フィクサーNaを併用した場合
使用した際の効果
ファイバープレックス ストレートで施術した場合、従来品と比べて毛髪内部の空洞化が少なく、しっかりと毛髪内部が保護されていることが確認できました。
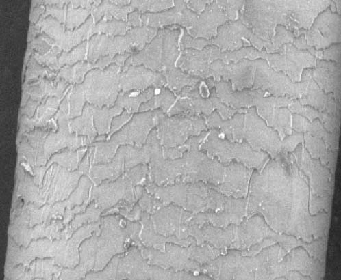
施術後の毛髪内部 電子顕微鏡(SEM)写真
シュワルツコフ従来品 施術後
空洞化が多い
ファイバープレックス
ストレート 施術後
空洞化が少ない
インタビュー
ロラン・マルタン
代表インタビュー
ヘンケルジャパン株式会社
コンシューマーブランド代表
ロラン・マルタン
長く自由にヘアデザインを楽しむ!生涯顧客をつくり、+αメニューで単価アップ!生産性を上げる
ボンディング
ルーティーン
ブリーチ市場をリードしてきたシュワルツコフプロフェッショナルの「ファイバープレックス」が、2025年3月、新ブランドメッセージとともに第2ステージへと足を踏み入れた。今回のリブランディングについて、ロラン・マルタン代表に話を聞いた。
ブリーチ以外の市場へ
8年目のリブランディング
Q.ファイバープレックスのデビューから8年。「ケアブリーチといえば、ファイバープレックス」というイメージが業界全体に根付いています。
A.日本で初めてファイバープレックスを紹介した2017年から私たちは“ブリーチを日本のあたりまえに”というメッセージのもと、テクノロジーとビジネスの革新に取り組んできました。当時の国内のブリーチ市場は非常に狭い状況でしたが、今ではブリーチは幅広い層に受け入れられ、スタイリストが提案しやすい環境が生まれています。そういった点でシュワルツコフは日本のサロン業界に大きな貢献ができたと考えています。
Q.この3月、リブランディングを発表しました。ケアブリーチ特化の戦略から、ボンディング戦略へ。この狙いと具体的な戦略を教えてください。
A.ファイバープレックスの開発は、ボンディングという髪を保護するテクノロジーが根幹となっています。第1弾としてヒットしたのは先ほど言われた通り、ブリーチの分野でした。しかしボンディングテクノロジーは本来、ブリーチのみに留まるものではありません。ヘアカラーやパーマ、ストレートパーマなど、その他のケミカル施術にも十分な可能性を持ったテクノロジーです。今回のリブランディングでは、ブリーチ以外の市場におけるファイバープレックスの存在感を高め、ボンディングの価値を訴求します。そうすることで第2のレボリューションが生まれると予感しています。
Q.ブリーチ以外のメニューに、今後市場が拡大していく可能性を感じていますか?
A.コロナ禍を経て、お客さまのニーズがヘアケアからヘアデザインにシフトしつつあります。サロンカラー市場も回復してきましたし、パーマの需要にも良い変化が見られます。そういった中で以前と同じメニューではなく、ファイバープレックスによってダメージをケアする提案ができることは、非常に大きな意味を持ちます。ダメージへの不安という制限をなくすことでデザインの選択肢が広がり、スタイリストはより自由に提案ができるようになります。結果として、お客さまの満足度アップ、単価アップにもつながると考えています。
サロンメニューとホームケアを結ぶ
ポジティブな循環を提案
Q.ホームケアシリーズのボンドケアも充実し、サロンメニューとホームケア、トータルでボンディングテクノロジーを提供できるシリーズへと進化しています。
A.ファイバーボンドテクノロジーを搭載したホームケア製品を使っていただくことで、髪がベースから強くなり、ポジティブな循環が生まれます。この循環を私たちは「ボンディングルーティーン」と名付けました。ホームケアのボンドシャンプー、トリートメントは、2022年にグループに加わった資生堂プロフェッショナルが持つヘアケアの知見と、ファイバープレックスのテクノロジーが初めて融合した製品です。スキンケアでは一般的になっているケアのルーティーンを、ヘアケアでも当たり前にしたい。ボンディングルーティーンが普及すれば、お客さまにもサロンにも新しいメリットが生まれるでしょう。
ファイバープレックスが
生涯続く“自由”を連れてくる
Q.最後に、新しいブランドメッセージ“強さは、自由だ。”に込めた思いを教えてください。
A.私たちが最も願っているのは、スタイリストの皆さんにクリエイティビティを最大限発揮していただくことです。髪を保護・強化するファイバーボンドテクノロジーによって、どんなダメージでも、環境でも、ハードルを感じずにお客さまの好きなヘアデザインをかなえていただけます。皆さんが提供するヘアデザインが自由であり続ける世界の実現を目指し、私たちは挑戦し続けます。
ボンディングルーティーン(サロン施術からデイリーまで一貫したボンディングの提供)
INTRODUCTION
強さは、自由だ。
髪を、芯から強く。ヘアデザインに、真の自由を。
FIBERPLEXのファイバーボンドテクノロジーが、これまでにない自由を連れてくる。
ブリーチも、カラーも、パーマも、ダメージを気にせず何度でも楽しめる。
なりたい自分を、いくつになっても追求できる。
さあ、日本のヘアデザインに、新しい革命を起こそう。

TECHNOLOGY
ファイバー
プレックスとは?
「ブリーチを日本のあたりまえに」というメッセージのもと、傷むのが当たり前だったブリーチ施術に革命を起こしたPLEXカテゴリの火付け役。
その後もオリジナルのボンディング技術を応用し、カラー剤、パーマ剤、ホームケアシリーズまで充実し、サロンメニューからホームケアまで、一貫した「ファイバーボンドテクノロジー」の提供が可能に。
サロンとお客様にとって「強さと自由」を叶えるパートナーとして進化している。
ボンディングとは?
髪の内部に働きかけ、髪を芯から強くする「ボンディング」という機能は2017年頃から日本に登場し、2017年6月、シュワルツコフは「ボンディング」機能を搭載したファイバープレックス製品を発売。
前処理剤・トリートメント・ブリーチ・ヘアカラー・ストレートパーマ等、多くのカテゴリーの商品をラインアップしています。
BONDって何?
毛髪はケラチンタンパクと呼ばれるタンパク質からできています。
ケラチンタンパクは多くのアミノ酸が繋がったポリペプチドでできており、4つの結合によって繋がれています。
各結合によって、健康な髪は内部組織がまとまり、結束化されています。
毛髪強化システム
「ファイバーボンド
テクノロジー」とは?
に加え、ダメージを受けにくい、
強く美しい髪へと導く。
※1 弊社研究所にて、ブリーチ剤+ファイバープレックスNo.1ボンドブースター、No.2ボンドフィクサーNaとブリーチ剤で比較した際の研究データ(最大値)
パサつく、ツヤがない、切れる、ごわつく。
そんなダメージによる髪の悩みを
補修で解決するのではなく、
酸化のダメージから保護する革新的テクノロジー。
TECHNOLOGY ファイバーボンド
テクノロジー
ファイバープレックスを語る上で欠かせない3つの
成分とSTEP
PRE-STEP 0
BOND
PRIMER
ボンドプライマー成分
(塩基性アミノ酸)
毛髪内部を補整し、
STEP1のための準備
毛髪内部を補整して、ジカルボン酸の定着できる素地を整え、ボンドプロテクションの準備を行う。これにより、ブリーチやヘアカラー、パーマなどの薬剤の均一な浸透を助ける。
STEP1の前にPRE STEPを行うことで、
よりファイバーボンドテクノロジーの持続性を高める。
STEP 1
BOND
PROTECTION
ボンドプロテクション成分
(ジカルボン酸)
毛髪内部を保護
3種のジカルボン酸が毛髪に浸透し、フィブリルにしっかり定着。カラーリングなどによる酸化のダメージから髪を守る。
ボンドプロテクション成分によって毛髪内部を保護し、ボンディング成分で毛髪内部と表面を強化。
このSTEP1とSTEP2がファイバープレックスの毛髪強化システムの基本。
STEP 2
BONDING
SEALING
ボンディング・シーリング成分
(マグネシウム塩)
毛髪内部と表面を強化
ダメージによって生成したシステイン酸に着目。ボンディング成分が微細な隙間に入り込み、イオン結合を構築することで髪を強化*。
*ボンドプロテクション成分が入っている商品と併用した場合使うたびに髪を保護・強化。デイリーに使うことで、ダメージを受けにくい、強く美しい髪へと導く。
HOME CARE
DAILY
BONDING
ボンドプロテクション成分
(ジカルボン酸)
美しい
ハイトーンカラーをキープ
ジカルボン酸*1が毛髪フィブリル間に定着。ブリーチ・カラー・パーマ後の髪を保護しながらまとまりやすく指通りのよい髪に導く。ボンディング成分*2が微細な隙間に入り込み、ボンディング機能をサポート。
*1 コハク酸 *2 マグネシウム塩サロン施術からデイリーまで一貫した
ボンディングの提供
LINE UP
商品ラインナップ
ファイバープレックスのラインナップをご紹介。
各商品の特徴なども併せてご覧ください。
BASE
DESIGN
KEEP
BASE
ファイバープレックスの基本となる
ベースメイクアイテム
前処理剤
ジカルボン酸が定着する素地を整えるファイバープレックス専用定着剤。CMCは、ブリーチやヘアカラー、ストレートなどの薬剤の均一な浸透を助けるために。PPTはダメージで失った髪のタンパク質部分を補修し、ヘアカラーやストレートが作用する場所を増やす。
プレックス剤
No.1、No.2を併用することで枝毛、切れ毛98.6%削減*。
No.1に含まれる3種のジカルボン酸がフィブリルにしっかり定着して酸化のダメージから髪を守り、No.2のボンディング成分がダメージによるシステイン酸に働きイオン結合を構築することで毛髪を強化。
DESIGN
ファイバーボンドテクノロジーを
搭載したヘアデザインアイテム
ブリーチ剤
ボンドプロテクション成分を配合したブリーチ剤。
パウダーとクレイ、リフト力や粘性の異なる2タイプで使い分け。
カラー剤
毛髪を保護・強化しながらカラーできるファイバープレックスカラー。
ブリーチ毛のために開発されたボンドカラーを新たにラインナップ。



PROCESS
使用手順
ファイバープレックスの使用手順をご紹介。
各施術の工程で使用する製品をご覧ください。
PRE-STEP
PRIMER
No.0 ボンド プライマーCMC
No.0 ボンド プライマーPPT
STEP 1
PROTECTION
No.1 ボンド
ブースターNブリーチ施術
ファイバープレックス
パウダーブリーチ /
クレイブリーチ
STEP 2
SEALING
No.2 ボンド フィクサーNa
STEP 3
PROTECTION
ボンド
シャンプー
ボンド
トリートメント
STEP 4
PROTECTION
ボンドオイル
ボンドミルク
No.4 ボンド
セラム
PRE-STEP
PRIMER
No.0
ボンド
プライマー
PPT
※ダメージレベル0~2の場合は必要なし
No.0
ボンド
プライマー
CMC
STEP 1
PROTECTION
No.1 ボンド
ブースターNカラー施術
ファイバープレックス
カラー
STEP 2
SEALING
No.2 ボンド フィクサーNa
STEP 3
PROTECTION
ボンド
シャンプー
ボンド
トリートメント
STEP 4
PROTECTION
ボンドオイル
ボンドミルク
No.4 ボンド
セラム
PRE-STEP
PRIMER
No.0
ボンド
プライマー
PPT
※ダメージレベル0~2の場合は必要なし
No.0
ボンド
プライマー
CMC
STEP 1
PROTECTION
No.1 ボンド
ブースターNストレート施術
ファイバープレックス
ストレート
STEP 2
SEALING
No.2 ボンド フィクサーNa
STEP 3
PROTECTION
ボンド
シャンプー
ボンド
トリートメント
STEP 4
PROTECTION
ボンドオイル
ボンドミルク
No.4 ボンド
セラム
PRE-STEP
PRIMER
No.0
ボンド
プライマー
PPT
※ダメージレベル0~2の場合は必要なし
No.0
ボンド
プライマー
CMC
STEP 1
PROTECTION
No.1 ボンドブースターNウエーブ施術
STEP 2
SEALING
No.2 ボンド フィクサーNa
STEP 3
PROTECTION
ボンド
シャンプー
ボンド
トリートメント
STEP 4
PROTECTION
ボンドオイル
ボンドミルク
No.4 ボンド
セラム
Q&A
よくあるご質問
ファイバープレックスのよくあるご質問についてです。
お客さまからよくいただくご質問にお答えします。
ボンドプライマーに関して
一般的なCMC/PPT系の前処理剤との違いは何ですか?
ジカルボン酸が定着する素地を整えるテクノロジーを搭載しているので、後に来るファイバープレックス系製品を使用した施術と合わせ、よりダメージが少なく、デザインの再現性や持続性が上がる仕上がりを期待できます。
ミディアムからハイダメージ毛にPPTから塗布してCMCを重ね付けする理由を教えてください。
ダメージホールをより分子構造が大きめなPPT(ケラチンPPT)で先に埋め、後からより分子構造が小さめのCMC(コラーゲンPPTやセラミド様物質など)を入れ込むことによって、毛髪に必要な成分を効率的に補給し、また抜けにくくもなります。
ブリーチ前にCMCだけ推奨している理由は何ですか?
ブリーチ前の処理としては、ジカルボン酸が定着する素地を整えるのはもちろん、均ーなリフトを叶えるのが大切な前処理の役割だと考えています。PPTを使用するとリフト力にネガティブな影響がでてしまう場合があリます。
プレックス剤
(No.1 ボンド ブースターN /
No.2 ボンド フィクサーNa)に関して
「No.2 ボンド フィクサーNa」の代わりに「ボンドトリートメント」を使用しても良いですか?
「No.2 ボンド フィクサーNa」はその後のケミカル処理のことを考慮した表面コート機能、「ボンドトリートメント」は、しっかり維持することを考慮した表面コート機能があります。ケミカル処理をするサロン施術の場合は、「No.2 ボンド フィクサーNa」をご使用ください。
「No.1 ボンド ブースターN」と「No.2 ボンド フィクサーNa」を使わず、「ボンドシャンプー」と「ボンドトリートメント」だけで効果はありますか?
「No.1 ボンド ブースターN」と「No.2 ボンド フィクサーNa」、ホームケア2品の併用をお勧めします。「ボンドシャンプー」と「ボンドトリートメント」は、あくまでも「No.1 ボンド ブースターN」と「No.2 ボンド フィクサーNa」をご使用頂いたお客様向けの処方設計です。「NO.1 ボンド ブースターN」はケミカル施術中に結合を保護するので、毛髪内部の保護強化には重要なステップとなります。
ブリーチに関して
「ファイバープレックスパウダーブリーチ」に、さらに「No.1 ボンド ブースターN」を追加(前処理)できますか?
お勧めしません。ジカルボン酸は多いほど効果を発揮するものでもありません。リフト力が落ちてしまう可能性がありますので、ご注意ください。
「ファイバープレックス パウダーブリーチ」後に「No.2 ボンド フィクサーNa」を使用しなかったらどうなりますか?
通常のブリーチより枝毛、切れ毛削減、手触り向上の効果はありますが、持続性に欠けます。セットでの使用をお勧めします。
パウダーブリーチとクレイブリーチの違いと適した施術を教えてください。
パウダーブリーチはリフト力が高く、リフト速度も速いので、全頭ブリーチや一回目のブリーチ施術の際にお勧めです。クレイブリーチは、パウダーブリーチに比べると緩やかでやさしいリフト力です。髪への負荷も軽減されるため、ブリーチオンブリーチに適しています。また、粘性も高いので狙った所にピンポイントで塗布しやすいため、バレイヤージュやハイライト、リタッチなどのポイント施術に適しています。
同じジカルボン酸でも、「No.1 ボンド ブースターN」にはマレイン酸、「ファイバープレックス パウダーブリーチ」にはコハク酸が使用されているようですが、どうしてですか?
マレイン酸とコハク酸は、どちらもジカルボン酸の一種で、サイズも同程度の物質です。マレイン酸は医薬部外品に配合できないため、コハク酸を使用しブリーチに配合しました。ボンディング機能(髪の芯をしっかりする)、枝毛・切れ毛削減効果は同等です。仕上がりの質感、指どおりもほぼ同等ですが、お客様の髪質、コンディションによっては「No.1 ボンド ブースターN(マレイン酸)」はハリ・コシのある仕上がり、「パウダーブリーチ(コハク酸)」はしなやかな仕上がりといった、わずかな差が感じられる場合もあります。
ホームケアに関して
なぜ施術直後は「ボンドシャンプー」&「ボンドトリートメント」を3日間継続使用した方がいいのですか?
ファイバープレックス施術後のジカルボン酸が十分な状態でボンディング成分を集中的に定着させ、ファイバープレックスのボンディング機能の定着性をさらに高めるためです。その後、週に1〜2回の定期的なメンテナンスにより、次回来店まで毛髪をより良い状態で保つことができます。
「ボンドシャンプー」&「ボンドトリートメント」と「No.4 ボンド セラム(洗い流さないトリートメント)」の3品を使用したいです。お勧めの使用方法はありますか?
週1〜2回シャンプー&トリートメントを使用した日はボンディング成分がすでに充分浸透・定着しているため、洗い流さないトリートメントは使用しなくても問題ありません。洗い流さないトリートメントはシャンプー&トリートメントを使用しない日にご使用ください。
リストを作成・編集


















